Axial Live Tool Holder VDI30 DIN 5482 THB-A04-30C

  • Unit price per 

Please contact us if you are interested in this product.


Our live tools are customized for your CNC machine's specific turret assembly.  Live tooling will allow you to reduce the operations required to complete a job.  

Hold Well Axial Live Tool Holder

  • Driven Coupling - DIN 5482
  • VDI30
  • ER25 Output Interface
  • Tool Holder produced in accordance with DIN 69880
  • For left and right hand turret
  • External Coolant
  • Max. RPM - 6,000
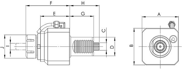
Model No. A B C D E F G H I J N.W. (KG)
THB-A04-30C 62 62 B15*12 30 60.5 87 45 55 ER25(2~16) 42 2.3
Unit:mm

Our live tool holders will allow easy setup on your CNC lathe.  Quality and precision is our main focus.  We want to make sure that you are satisfied with your live tooling needs in your shop. CNC Tool Solutions offers a wide range of VDI driven radial and axial tool holders that you need to stay productive.  Let us help you find the right tool holders for your specific lathe.

**Estimated Lead Time -  10-12 business days 

**Lead time may vary based on manufacturer's stock


We Also Recommend